EN
中文简体
华体会(中国)-华体会(中国)
华体会网页版登录入口
无线视频方案
USB Audio方案
USB/DP扩展方案
HDMI接口方案
电源管理方案
代理产品线
华体会(中国)-华体会(中国)
治精微
共模低噪LDO
炬力无线投屏
基石酷联HDMI
骅讯USB Audio
恒烁/东芯 Flash
共模半导体
代理产品线
产品资讯
产品信息
公司动态
华体会网页版登录入口
公司简介
华体会(中国)-华体会(中国)
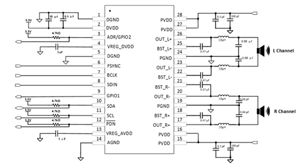
ACM8629_100W I2S数字D类音频功放IC-内置DSP
概述 ACM8629 一款高度集成、高效率的双通道数字输入功放。供电电压范围在4.5V-26.4V,数字接口电源支持3.3V 。在4 欧负载,BTL模式下输出功率可以到2×50W@1%THD+N,在2欧负载,PBTL模式下单通道可以输出1×100W @1%THD+N
PVDD: 4.5V至26.4V,DVDD和I/O: 3.3V
2×50W,立体声模式(4Ω, 24V, THD+N = 1%),1×100W,单声道模式(2Ω, 24V, THD+N = 1%)
THD+N ≤ 0.03% :1W, 1kHz, PVDD = 12V
SNR 信噪比114 dB (加权),底噪 ≤ 37 uVrms
停售
详细内容
概述
ACM8629一款高度集成、高效率的双通道数字输入功放。供电电压范围在4.5V-26.4V,数字接口电源支持3.3V。在4欧负载,BTL模式下输出功率可以到2×50W 1%THD+N,在2欧负载,PBTL模式下单通道可以输出1×100W 1%THD+N.
ACM8629采用新型PWM脉宽调制架构,根据信号大小动态调整脉宽,在保证音频性能前提下,降低静态功耗,提高效率,另外防止POP音的产生。扩频技术的应用可以大幅降低EMI辐射,在功率和喇叭线长一定的范围内,可以用磁珠替代电感方案,从而优化成本和电路面积。
ACM8629高度集成了多种音效算法。内部模块可以独立控制,左右通道也可以独立控制。内部集成数字、模拟增益调节,信号混合模块,15个EQ和5个post EQ,可编程特定频段信号动态增强,3段提前能量预测DRC等多个独立模块,可实现多种音效。例如小信号低音增强,高低音补偿等功能可以通过这些模块实现.
特性
灵活的电压配置
-PVDD:4.5V至26.4V
-DVDD和I/O:3.3V
输出功率
-2×50W,立体声模式(4Ω,24V,THD+N=1%)
-1×100W,单声道模式(2Ω,24V,THD+N=1%)
出色的音频性能
-THD+N≤0.03%:1W,1kHz,PVDD=12V
-SNR信噪比114 dB(加权)
-底噪≤37 uVrms
-28 mA低静态电流
-88%的效率,4Ω负载,2×40W/PVDD=20V
出色的音频性能
-I2C可选4个器件通信地址
-I2S,左对齐,右对齐,TDM音频格式
-不需要MCLK的三线数字音频接口
-采样率32kHz,44.1kHz/48kHz,88.2kHz/96kHz
-SDOUT数字音频输出支持回声消除–支持1.1/2.1系统回声消除
高阶音效算法
-灵活的数字和模拟增益调整
-直流阻塞高通滤波器
-左右通道的输入信号路由器
-左右通道独立具备2×15个BQs,另外加2×5个post BQs加强音效调节
-防爆音的压缩器前后调节音量,动态维护音频处理中的数字余量
-3段DRC,时间延时接口结合后端均衡器,实现平滑的多段音效控制
-小信号低音增强可编程设置
保护机制
-FAULT状态输出
-OCP过流保护
-OTP过热保护
-UVLO过压和欠压保护
-数字音频时钟检查
应用
便携音箱:蓝牙音箱,语音助手音箱;家庭音频:电视,声霸,盒子,家庭影院;笔记本、台式机
相关华体会网页版登录入口
AM8360D_炬力北方 4K30无线HDMI传输芯片
炬力北方的AM8360D处理器是一款高度集成的混合信号SoC处理器,用于多媒体应用,AM8360D嵌入的CPU是高性能、低功耗的32位RISC具有DSP指令扩展的内核,运行速度可达700MHz。
AM8350D_UVC协议 HDMI转USB芯片
AM8350D是基于UVC协议的HDMI TO USB 芯片,最高支持4K30 的UVC输出,高集成度,精简外围,可以直接集成在线材里,用来做车机点屏线等车机娱乐系统
18677706250
carl.deng@onwaytech.com
深圳市宝安区隆昌路10号美生创谷 夏谷401
华体会网页版登录入口
无线视频方案
USB Audio方案
USB/DP扩展方案
HDMI接口方案
华体会(中国)-华体会(中国)
治精微
共模低噪LDO
炬力无线投屏
基石酷联HDMI
骅讯USB Audio
恒烁/东芯 Flash
共模半导体
产品资讯
产品信息
公司动态
Wechat
Copyright © 2013 - 2025 华体会网页版登录入口 版权所有
粤ICP备12060590号
18677706250
咨询
华体会(中国)-华体会(中国)
微信
电话咨询
星空体育·(China)官方网站
|
九游官方网站
|
拼搏在线登录
|
星空体育·(StarSky Sports)官方网站
|
九游平台
|
开云手机在线登陆入口
|
华体会网页版登录入口
|
facebook
|
买球
|